▷ 기계설비강의/#공조냉동

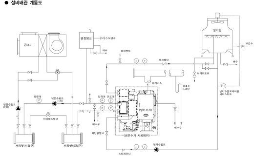
[흡수식냉온수기] 냉방시 내부 작동 원리

Usmile~* 2011. 7. 15. 20:22
반응형

자세히 보려면, 플래시 화면을 클릭하시면 새창으로 크게 보실 수 있습니다.





흡수식냉·온수기는 일반적으로 전기로 압축기를 돌려 냉동 효과를 만들어 내는 원심 냉동기에 비하여, 구동부가 없어 고장이 적고, CFC 물질은 사용하지 않아  환경오염이 적으며, 가스를 직접 동력원으로 사용함으로 전기 소비가 적은 반면에 항상 대기압 이하의 진공상태에서 운전되어야 하고, 흡수제로 사용되는 리튬브로마이드 수용액이 큰 부식성을 가지므로, 유지관리에 세심한 주의가 요구되는 기계이다. 대부분의 중대형건물 냉난방에 이용되고 있다.

[냉온수기 추가 관련 자료]

LiBr-H2O계 흡수식 가스냉난방기의 원리.HWP


흡수식냉온수기 제어판넬메세지정리.hwp


흡수식냉온수기_냉난방사이클개념도.pdf


흡수식냉온수기_추기작업목적.pdf


반응형
사업자 정보 표시펼치기/접기
그레마자 | 김용일 | 서울특별시 성북구 돌곶이로 18길 29, 1층 좌측(석관동, 그레마자공작소) | 사업자 등록번호 : 252-79-00271 | TEL : 010-7755-2287 | Mail : freesnut@naver.com | 통신판매신고번호 : 제 2019-서울성북-1435호 | 사이버몰의 이용약관 바로가기